ЛИГА ROBOCUP JUNIOR ONSTAGE

КОМАНДА игра в змейку

капитан, конструктор робота Нотного стана, музыкант

Федченко 

Иван

4 года обучения по направлениям:

Физика роботов, Основы робототехники, Творческое проектирование, Программирование на С++.

Практический опыт роботостроения:

Робот Нотный стан

Достижения:
Первое и второе место в Открытых состязаниях Санкт-Петербурга по робототехнике.


КОНСТРУКТОР РОБОТА-ЗМЕи

Чайка 

Пётр

2 года обучения по направлениям: электротехника, BEAM роботы, RobotC, 3D моделирование, C++, сумо Андроидных Роботов.

Практический опыт роботостроения:

Роботы из образовательных конструкторов для соревнований и Робот Змейка.

Достижения:
Первое место в Открытых состязаниях Санкт-Петербурга по робототехнике в категории RoboCup Junior OnStage.


ПРОГРАММИСТ РОБОТА НОТНОГО СТАНА

Тимофеев Всеволод 

3 года обучения по направлениям: 

Программирование на Python.

Практический опыт роботостроения:

Роботы из образовательных конструкторов для соревнований и Робот Нотный стан.

Достижения:
Первое место в Открытых состязаниях Санкт-Петербурга по робототехнике в категории RoboCupJunior onStage.

РУКОВОДИТЕЛИ КОМАНДЫ

Казанцева Ольга Юрьевна
Орёл Вероника Владимировна
Иванов Василий Леонидович

РОБОТ СЕЗОНА 2022 г.

ОПИСАНИЕ РОБОТА

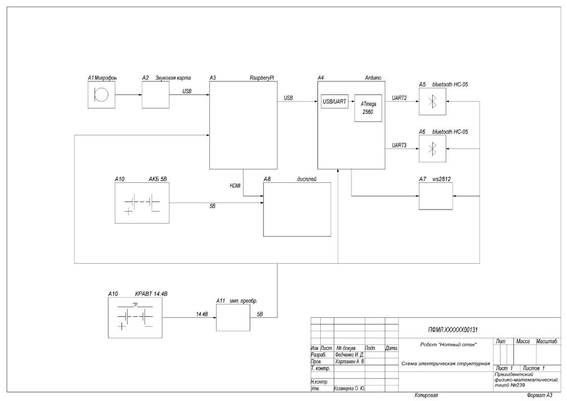
ЭЛЕМЕНТНАЯ БАЗА, ЭЛЕКТРОНИКА И ОСОБЕННОСТИ КОНСТРУКЦИИ

Электронные компоненты
- Arduino-совместимая плата на базе микроконтроллера mega 2560
- 9 сервомоторов Dynamixel AX-12A
- Bluetooth модуль HC-05
- Seeed Studio Music shield v2.2
- светодиоды из адресной ленты WS2812.
- 4х баночный литий-ионный аккумулятор «КРАВТ»
- импульсный преобразователь на микросхеме LM2596

Конструкция робота змеи:
- В основании в форме додекаэдра из фанеры находится вся управляющая электроника робота
- Тело робота-змеи состоит из 13 пластиковых 3д печатных треугольных площадок с шаровой опорой, соединённых между собой тросами и трубкой. Первая площадка прикреплена к основе, а на последней закреплена голова, изготовленная из папье-маше
- Для реализации движений тросовой конструкции- были выбраны сервомоторы Dynamixel AX-12A, потому что они имеют защиту от перегрева и могут подключаться через одну шину данных.
- Змея находится внутри складного стола, изготовленного из фанеры и алюминиевых квадратных профилей.

Различное натяжение тросов, за счёт которого движется робот-змея, похоже на движение настоящей змеи, осуществляющееся за счёт сокращения мышц. В процессе движения тросы меняют свою длину, находясь в постоянном натяжении, и благодаря этому змея устойчиво фиксирует своё положение. Само же сокращение тросов происходит путём наматывания тросов на катушки, закреплённые на сервомоторах.

Робот Нотный стан распознает и визуализирует правильность сыгранных нот. В основе конструкции – фанерный ажурный каркас, смоделированный в программе Autodesk Inventor и вырезанный на лазерном станке. Через микрофон нотный стан получает звук, обработка которого происходит в микрокомпьютере Raspberry pi 4. Информация о правильности нот следует по протоколу UART на плату Seeeduino Mega 2560, управляющую отправкой сообщений по Bluetooth на других роботов и светодиоды ws2812b адресной LED-ленты.


ПРОГРАММНОЕ ОБЕСПЕЧЕНИЕ РОБОТА

На raspberry pi 4 - Python 3.9, распознавание нот на нотном стане и передача правильности сыгранных нот на arduino по uart, на arduino - arduino ide, индикация правильности сыгранных нот на светодиодной адресной ленте, передача по bluetooth на других роботов правильность сыгранной ноты.

Описание структуры программы

Библиотеки на нотном стане - numpy (используется модуль numpy.fft.rfft - алгоритм фурье), time, функции time.sleep - для задержки в начале и time.time для проверки, что нота была не слишком коротка, pyaudio - для записи звука, функция PyAudio, PySerial функция - Serial, для передачи данных на arduino по uart
на arduino - библиотека pololuledstrip, модуль write для индикации на светодиодной ленте.


СТРАТЕГИЯ

Интерес к музыкальному образованию и классической музыке обычно проявляют только люди, с рождения обладающие музыкальным слухом. Но умение слушать и слышать музыку может развить в себе любой. Оно делает мироощущение каждого человека гораздо ярче и богаче. Проект показывает, что не стоит заменять живую музыку и музыкальные занятия компьютерными играми.

Как решается задача, заданная регламентом лиги

CRM-форма появится здесь